空間光調制器是采用LCOS(Liquid Crystal On Silicon, 硅基液晶)芯片來調節光波前的振幅或相位的光學器件。LCOS芯片是由液晶像元組成的像素陣列,每個像素都能單獨地調制光。對于同一束光來說,像元的尺寸越小,調制的就越精細;像素的個數就是芯片的分辨率,分辨率越高,可調制的自由度就越高。對于濱松LCOS本身的性質來說,它只改變光的相位,而不影響光的強度和偏振狀態。(如果要調制振幅/光強,需要通過光路來實現,具體光路參見:SLM振幅調制光路)。通過改變電壓來改變液晶的排列方式,相位調制隨著液晶的排列方式而變化。通過CMOS背板和PC輸出的DVI信號,液晶的排列是單像素可控的。

目前市面上的LCOS產品中,濱松LCOS在高端市場中以更優秀的性能贏得了眾多用戶的好評——高線性度、高光利用率、高衍射效率,等等。
一,參數解析
1.光利用率(反射率)
為了提高光的利用率,在調制的過程中將光能的損失降到最低,濱松的LCOS產品均為反射式。這里光利用率就定義為光經過LCOS液晶面反射的反射率。定義為:平均反射光強占入射光強的百分比。

濱松可以提供400nm-1550nm范圍內的OEM定制產品,我們可以為您專門優化您應用中需要用到的波長。具體需求請聯系我們。另外,有些品牌將反射率稱為"零級衍射效率",這其實是一回事,不要把"零級衍射效率/光利用率/反射率"與"一級衍射效率"混淆。
2.一級衍射效率
一級衍射效率才是LCOS真正的"衍射效率",是通過加載閃耀光柵時(將LCOS作為光柵使用)一級衍射光的能量占零級衍射光(入射灰階從0到255變化時的平均值)能量的百分比來定義的。絕大多數應用中,實際使用的都是一級光,這種情況下一級衍射效率越高,調制效率就越高。(但是同樣的產品,像元越小,一級衍射效率也會相應變小。所以分辨率和一級衍射效率是兩個此消彼長的量。)

X15213系列具體數值如下:

具體計算方法見:空間光調制器LCOS-SLM的衍射效率解析。
注意!實驗室靜電有可能造成衍射效率下降,請注意防護。
3. 線性度
相位調制的線性度在光調制的精度方面是一個至關重要的參數,而濱松致力于追求等高精度的調制,在線性度方面做到了行業頂級。且得益于優秀的硬件線性度和出廠自帶所有參數內波長的LUT曲線,為用戶省去了標定的麻煩,進一步提高了調制精度。 濱松線性度:

強光下依然保持良好的線性度,見下圖:

二,選型指導
1. 確認分辨率和像元大小
LCOS是由像素陣列組成的,濱松可以提供的分辨率為1272×1024。新系列X15213表示在產品型號的前半部分,后半部分表示對應的型號,各型號的波長范圍不同,如X15213-08。見下表:

表中"有效面積(Effecttive area size)"是指LCOS頭上可以對光進行調制的液晶面的面積。"填充因子(Fill factor)"是指單個像素有效面積占總面積的百分比,這個值在影響光利用率方面比較關鍵(光利用率在本文后面會進行介紹)。
某些廠家將該值Fill factor的概念與像素間間距(Inter pixel gap)合起來表示該值,因此他們通常將Fill factor標成100%,但同時他們的Inter pixel gap高達1.3μm,而這個Inter pixel gap他們是不會給出的,因此參數就會顯得很好看。而濱松本著實事求是的原則將實際Fill factor寫出,并且濱松的Inter pixel gap只有0.2μm。所以用戶在使用的時候,需要考慮的是綜合了Fill factor和Inter pixel gap的真正的填充率,只有高Fill factor,沒有小的Inter pixel gap, 實際上的填充效果其實并不好。
后面的重量是指LCOS頭的重量,產品采用輕量化設計,在保證性能不變的情況下,重量為152g,水冷型號的由于增加了制冷部分,重量為552g。
2. 選擇相應的波段
每個系列的LCOS產品都包含若干個不同的型號,以尾綴的形式表示。如X15213-08中的-08就是指該型號的產品可調制波長范圍為1000nm-1550nm,見下表:

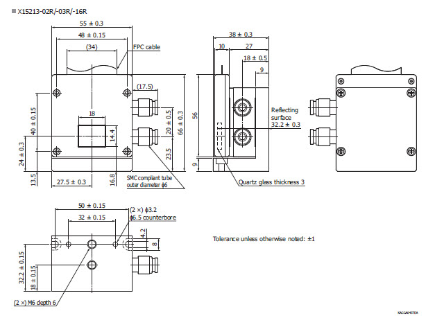
其中對于-05型號來說,波長小于400nm的紫外光會對LCOS造成損傷,更多細節請向我們咨詢。對于-08型號,波長1350nm-1400nm這一段由于玻璃基片的吸收會導致反射率(光利用率)下降約5%。尾綴帶有字母L或者R的代表水冷型號的水冷管接口在左(L)或者在右(R),以R為例詳見下圖圖紙:

3. 注意光閾值
LCOS是不能照射超過閾值的光的,如果超過閾值光強,則會發生損傷,輕則線性度下降,重則液晶層融化。濱松LCOS的光閾值在同類產品中屬于較高的水平,具體值由于型號、波長、用戶使用的光源類型不同會有很大差異,請參考空間光調制器光強閾值資料及計算方法。對于不同系列的相同尾綴的型號,具有相同的光閾值,如X15213-03CL的光閾值和X15213-03相同。
另外,從波長選型中可以看到,不同尾綴的各種型號中,-01,-07,-08這三種型號的波長范圍較長;而其他幾種型號的波長范圍較短,這是因為它們在液晶的底層加了介質鏡(Dielectric mirror),大大提高了光閾值和光利用率,但也將波長范圍限制在一個比較小的范圍內。

鄂公網安備 42011502001385號 鄂ICP備2021012849號