商品名稱:Toshiba 東芝 邏輯芯片 通用邏輯芯片 邏輯門 TC74HC4078AF
商品型號:TC74HC4078AF
數據手冊:
品牌:TOSHIBA 東芝
封裝規格:SOP
商品類別:
二級分類:固定邏輯器件
商品批號:9513P/QX
貨期:現貨
商品編號:
商品重量:0.001kg
庫存數量:1600 個
單價:
產品描述:
| Function 1 | Gate |
|---|---|
| Function 2 | NOR |
| Number of Circuits | 1 |
封裝規格:
| Toshiba Package Name | SOP14 |
|---|---|
| Package Image | |
| Pins | 14 |
| Mounting | Surface Mount |
| Width×Length×Height (mm) | 10.8×7.8×1.5 |
電氣特征:
| Characteristics | Symbol | Condition | Value | Unit |
|---|---|---|---|---|
| Supply voltage (Max) | VCC | - | 6 | V |
| Supply voltage (Min) | VCC | - | 2 | V |
| Operating temperature | Topr | - | -40 to 85 | ℃ |
| Output current (Min) | IO | VCC=4.5V | 4 | mA |
| Propagation delay time (Typ.) | tpd_tpz | VCC=5V | 13 | ns |
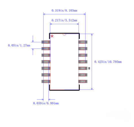
引腳圖:

封裝圖:

焊盤圖:

加入收藏
|
FPGA現場可編程門陣列 Intel/Altera 邏輯芯片 FPGA - 現場可編程門陣列 10CL006YU256C8G 封裝:UBGA-256 品牌: |
|
¥10000.0000 詢價 |
庫存數量:8000 個 整包裝: 貨期:現貨 |
|
加入收藏
|
自營MCU ADI 亞德諾 16位微控制器 MCU 16Bit MAXQ7667AACM/V+ 封裝:LQFP-48 品牌:亞德諾 ADI |
|
¥10000.0000 詢價 |
庫存數量:113 個 整包裝: 貨期:現貨 |
|
加入收藏
|
FPGA現場可編程門陣列 Xilinx 賽靈思 邏輯芯片 FPGA - 現場可編程門陣列 XCKU040-2FFVA1156I 封裝:FCBGA-1156 品牌:xilinx賽靈思 |
|
¥10000.0000 詢價 |
庫存數量:273 個 整包裝: 貨期:現貨 |
|
加入收藏
|
FPGA現場可編程門陣列 Xilinx 賽靈思 邏輯芯片 FPGA配置存儲器PROM XCF128XFTG64C 封裝:FTBGA-64 品牌:xilinx賽靈思 |
|
¥10000.0000 詢價 |
庫存數量:273 個 整包裝: 貨期:現貨 |
|
加入收藏
|
FPGA現場可編程門陣列 Xilinx 賽靈思 邏輯芯片 嵌入式-FPGA現場可編程門陣列 XC6VLX240T-2FFG1156I 封裝:FCBGA-1156 品牌:xilinx賽靈思 |
|
¥10000.0000 詢價 |
庫存數量:510 個 整包裝: 貨期:現貨 |
|
加入收藏
|
FPGA現場可編程門陣列 Xilinx 賽靈思 邏輯芯片 嵌入式-FPGA現場可編程門陣列 XC6SLX25-2FTG256C 封裝:FBGA-256 品牌:xilinx賽靈思 |
|
¥10000.0000 詢價 |
庫存數量:1000 個 整包裝: 貨期:現貨 |
|
加入收藏
|
FPGA現場可編程門陣列 Intel/Altera 邏輯芯片 嵌入式-FPGA現場可編程門陣列 EP4CE30F23C8N 封裝:FBGA-484 品牌:Altera阿爾特拉 |
|
¥10000.0000 詢價 |
庫存數量:598 個 整包裝: 貨期:現貨 |
|
加入收藏
|
自營MCU ST 意法半導體 ARM微控制器 MCU 32位單片機 Cortex-M7 STM32H743VIT6 封裝:LQFP-100 品牌:ST 意法半導體 |
|
¥10000.0000 詢價 |
庫存數量:3780 個 整包裝: 貨期:現貨 |
|
加入收藏
|
自營MCU Microchip 微芯科技 嵌入式 8bit 微控制器 PIC16LF15355 封裝:SMD/SMT 品牌:亞德諾 ADI |
|
¥10000.0000 詢價 |
庫存數量:20478 個 整包裝: 貨期:現貨 |
|
加入收藏
|
FPGA現場可編程門陣列 Altera 邏輯芯片 Cyclone IV FPGA現場可編程門陣列 EP4CE55F23C8N 封裝:FBGA-484 品牌:Altera阿爾特拉 |
|
¥10000.0000 詢價 |
庫存數量:1240 個 整包裝: 貨期:現貨 |
1.平臺上看到的庫存、價格準確嗎?
答:部分商品可以直接下單,但考慮到現貨庫存流動性比較大,目前還無法做到100%的精準。如有異常,請您直接聯系商城客服,您也可以點擊詢價或提交BOM單,我們將會與您聯系并給出對應的解決方案。
2. 商品都是原裝正品嗎?
答:我們的自營商品均采自合作的國內外原廠或授權代理商,來源均可追溯,確保原裝正品。
3.可以提供原廠或代理的資質證明嗎?
答:目前我們自營代理的品牌包含濱松,USHIO,新唐科技等一線品牌,其他渠道均為原廠及代理渠道。如有需要,我們可以針對具體品牌型號來溝通確認。
4.我可以通過BOM單進行詢價嗎?
答:為客戶提供極具行業特色的電子元器件BOM表一站式供應鏈解決方案,只需聯系商城客服提交物料清單,即可獲得報價。
5.下單后什么時候能發貨?多久能到?
答:大部分商品信息中都有標注貨期,您可根據貨期估計商品的發貨時間,具體到貨時間根據商品具體所在的倉庫、您所選擇的物流方式而定。
6.能開發票嗎?
答:可以為個人用戶開具普通發票,也可以為企業用戶開具增值稅專用發票。
鄂公網安備 42011502001385號 鄂ICP備2021012849號